Anlage 5e
Kennzeichentafeln
Inhaltsverzeichnis
A. | Kennzeichentafelarten und -formate |
A.1. | Maße und Schriftfelder |
A.1.1. | EU-Emblem |
A.2. | Inhalte der Felder |
A.2.1. | Herstellerzeichen |
A.2.2. | Wappenplaketten |
A.2.3. | Ablaufvignette |
A.3. | Form und Größe der Schriftzeichen |
B. | Materialien und Prüfeigenschaften |
B.1. | Beschaffenheit der Kennzeichentafeln |
B.2. | Grundfolie für Kennzeichentafeln |
B.2.1. | Folie |
B.2.2. | Prägefähigkeit |
B.2.3. | Prägung |
B.2.4. | Technische Prüfungsbedingungen |
B.2.4.1. | Prüfstücke |
B.2.4.2. | Durchführung der Prüfung |
B.2.4.3. | Prüfungsverfahren für Kennzeichentafeln |
B.2.4.3.1. | Temperaturbeständigkeit |
B.2.4.3.2. | Haftung der Folien (DIN 53151) |
B.2.4.3.3. | Schlagfestigkeit (DIN 5115) |
B.2.4.3.4. | Biegefestigkeit |
B.2.4.3.5. | Wasserfestigkeit |
B.2.4.3.6. | Reinigungsfähigkeit |
B.2.4.3.7. | Widerstandsfähigkeit gegen Benzin |
B.2.4.3.8. | Salzsprühtest (DIN 50021) |
B.2.4.3.9. | Verstärkte Industrieatmosphäre (DIN 50018) |
B.2.4.3.10. | Künstliche Alterung (DIN 53387) |
B.2.5. | Optische Wirkung |
B.2.5.1. | Rückstrahlwirkung der Folie |
B.2.5.2. | Colorimetrische Eigenschaften |
B.3. | Qualität und Garantie |
C. | Entgelte für Typen von Kennzeichentafeln |
A. Kennzeichentafeln und Formate
KENNZEICHENARTEN |
|
| |||||||
|
|
|
|
|
|
| |||
Kennzeichen | EU-Emblem | Grundfarbe | Schriftfarbe | Wappen Anhang A2 | Vormerkzeichen Anzahl=/<siehe § 26 | Muster entsprechend A.1. | |||
Gewöhnliches Kennzeichen (GKT) einzeilig | + | weiß | schwarz | + | 6 | I | |||
(GKT) zweizeilig | + | weiß | schwarz | + | 6 | III | |||
Historisches Kennzeichen (HKT) einzeilig | + | Weiß | Schwarz | + | 3***) | IX | |||
(HKT) zweizeilig | + | Weiß | Schwarz | + | 3***) | VII | |||
Diplomat (DKT) | + | weiß | schwarz | – | 5 | I, III,VII | |||
Probe (PKT) | – | blau | weiß | + | 5 | Ia, IIIa | |||
Überstellung (ÜKT) | – | grün | weiß | + | 5 | IV,V | |||
Vorübergehende Zulassung (VZT) | – | blau/rot | weiß | + | 4 | IV,V | |||
Ausländische Anhänger (AAT) | + | rot | weiß | + | 6 | I, III, jedoch ohne rot-weiß-roten Randstreifen | |||
Motorfahrräder (MFT) | – | rot | weiß | – | 6 *) | VI | |||
Motorrad (MRT) | + | weiß | schwarz | + | 4 bis 6 **) | VII,VIII | |||
*) Anzahl der Zeichen insgesamt (Zulassungsbereich + Vormerkzeichen) **) Anzahl der Vormerkzeichen bei Nachbestellungen und Wunschkennzeichen bis zu 6 Zeichen ***) Anzahl der Vormerkzeichen bei den in den Landeshauptstädten und Wien zugewiesenen Kennzeichen bis zu 4 Zeichen | |||||||||
| KENNZEICHENFORMATE |
| |||||||
| Muster: | Format: |
| ||||||
| I | 520 x 120 mm |
| ||||||
| III | 300 x 200 mm |
| ||||||
| Ia | 520 x 120 mm |
| ||||||
| IIIa | 270 x 200 mm |
| ||||||
| IV | 520 x 120 mm |
| ||||||
| V | 270 x 200 mm |
| ||||||
| VI | 150 x 115 mm |
| ||||||
| VII | 250 x 200 mm |
| ||||||
| VIII | 210 x 170 mm |
| ||||||
| IX | 460 x 120 mm |
| ||||||
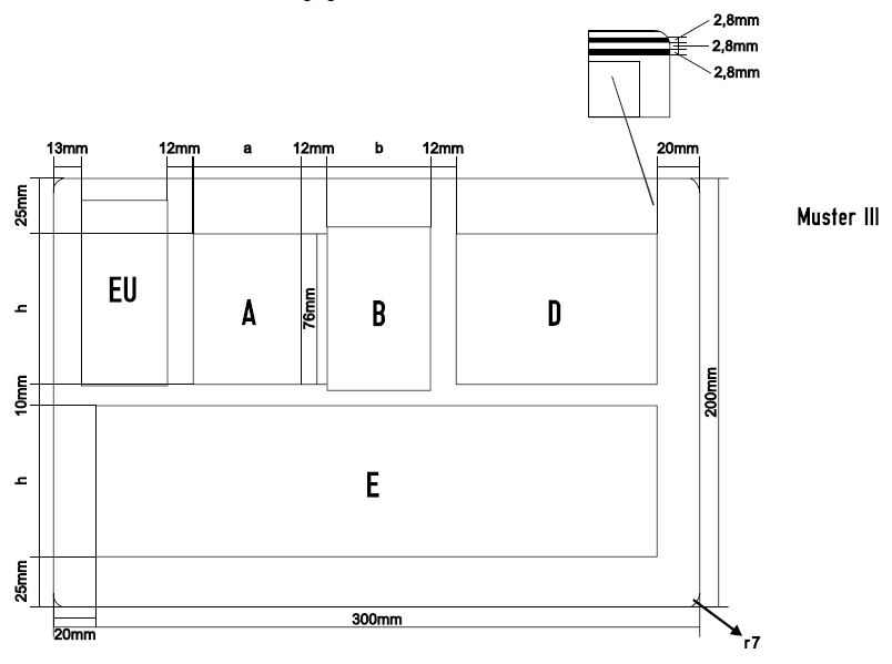
A.1. Maße und Schriftfelder
Der rote Einsatz für die Jahreszahlen am rechten Rand kann auch soweit verkleinert werden, dass er sich innerhalb des geprägten Randes befindet und der geprägte Rand ausgespart wird.
a: Breite des Feldes A (mm) |
| |
| – mit einem Zeichen: 38 (bei W: 51, A:42; I:10; L:33) | – mit zwei Zeichen: max. 100 |
b: Breite des Feldes B (mm) (Heißprägefläche) |
| |
| – von N,O,S,ST,V,W: 48 | – Bund; B, K, T: 52 |
a1: Breite des Feldes AI (mm) |
| |
| – mit einem Zeichen: 42 (bei W: 57, A: 47; I:10; L:36) | – mit zwei Zeichen: max. 110 |
b1: Breite des Feldes BI (mm) (Prägefläche) |
| |
| – von N,O,S,ST,V,W: 52 | – Bund; B, K, T: 56 |
m: Breite des Feldes M (mm), (bis zu 4 Vormerkzeichen) |
| |
| – mit einem Zeichen: 38 (bei W: 51, A:42; I:10; L:33) | – mit zwei Zeichen: max. 100 |
m: Breite des Feldes M (mm),( bei mehr als 4 Vormerkzeichen) |
| |
| – mit einem Zeichen : 32 (bei W : 44, A:35, I : 9, L : 28) | – mit zwei Zeichen: max. 90 |
Der rote Einsatz für die Jahreszahlen am rechten Rand kann auch soweit verkleinert werden, dass er sich innerhalb des geprägten Randes befindet und der geprägte Rand ausgespart wird.
Bei Nachbestellungen von Wunschkennzeichen für Motorräder als Muster VII in Landeshauptstädten mit sechs Vormerkzeichen steht die erste Stelle des Vormerkzeichens in der oberen Zeile nach dem Wappen und die restlichen fünf Stellen des Vormerkzeichens in der unteren Zeile.
- m: Breite des Feldes MI (mm):
- – mit einem Zeichen : 26 (bei W: 36, A:28, L: 26 )
- – mit zwei Zeichen. max 78
Für VZT Muster VI: Untergrund der Tafel blau mit roten Feld mit Angabe der letzten zwei Ziffern der Jahreszahl des Kalenderjahres in dem die Zulassung erlischt.
Für PKT Muster VI: Untergrund der Tafel blau.
Überstellungskennzeichen ÜKT einzeilig, Maße wie Muster IV
Überstellungskennzeichen ÜKT zweizeilig, Maße wie Muster V
A.1.1. EU-Emblem
A.2. Inhalte der Felder
Kenn-zeichenfeld | Muster | Raum für | |
EU | I, III, VII, VIII | EU-Emblem, (siehe Muster EU) | |
A | I, III | Bezeichnung der Behörde oder des sachlichen Bereiches | |
AI | Ia, IIIa, IV, V | ||
G | VI | ||
M, MI | VII, VIII | ||
B | I ,III, VII, VIII | Bundeswappen oder Wappen des Bundeslandes mit unterhalb ausgeschriebenem Namen des Bundeslandes (Blockbuchstaben, Höhe: 4 mm oder 5 mm je nach Wortlänge) thermoplastisch aufgebracht. | |
BI | Ia, IIIa, IV ,V | Bundeswappen oder Wappen des Bundeslandes mit unterhalb ausgeschriebenem Namen des Bundeslandes (Blockbuchstaben. Höhe: 4 mm oder 5 mm je nach Wortlänge). Wappen und ausgeschriebenem Namen des Bundeslandes auf ebener Hochprägefläche (Prägehöhe 0,2 mm bis 0,5 mm) aufgebracht. Nur bei Kennzeichentafeln ohne Wappen: Hochprägung P (Muster Ib) | |
DI | IIIa | Die ersten zwei Zeichen des Vormerkzeichen mit 6 Zeichen Erstes Zeichen des Vormerkzeichen mit 5 Zeichen | |
C,CI | I | Vormerkzeichen | |
D | III | Erstes Zeichen des Vormerkzeichens mit 6 Zeichen. | |
DI | V | Erstes Zeichen des Vormerkzeichens mit 4 Zeichen. Ersten zwei Zeichen des Vormerkzeichens mit 5 Zeichen | |
E | III | Vormerkzeichen mit nicht mehr als 5 Zeichen. bei Vormerkzeichen mit 6 Zeichen die letzten 5 Zeichen. | |
EI | V | Vormerkzeichen mit nicht mehr als 3 Zeichen. Bei Vormerkzeichen mit 4 Zeichen sowie mit 5 Zeichen die letzten 3 Zeichen. | |
EI | IIIa | Vormerkzeichen mit nicht mehr als 4 Zeichen Bei Vormerkzeichen mit 5 Zeichen sowie mit 6 Zeichen die letzten 4 Zeichen | |
F | IV.V | Bei VZT die letzten 2 Ziffern der Jahreszahl des Ablaufjahres der vorläufigen Zulassung. Bei ÜKT Ablaufplakette. | |
H | VI | Erstes Zeichen des Vormerkzeichens mit 4 Zeichen bzw. die ersten 2 Zeichen des Vormerkzeichens mit 5 Zeichen | |
K | VI | Die letzten 3 Zeichen des Vormerkzeichens | |
L, LI | VII, VIII | Vormerkzeichen mit max. 4 Zeichen (Bei Nachbestellungen und Wunschkennzeichen auch 5 Zeichen; bei Nach- und Neubestellungen von Wunschkennzeichen für Motorräder als Muster VIII in Landeshauptstädten auch 6 Vormerkzeichen, wobei die erste Stelle des Vormerkzeichens in der oberen Zeile nach dem Wappen und die restlichen 5 Stellen des Vormerkzeichens in der unteren Zeile sind.) | |
Der Abstand der Buchstaben und Ziffern untereinander muss graphisch ausgewogen sein und soll zwischen 8 und 15 mm betragen, wobei zwischen benachbarten Schriftzeichen eingetragenen Zahlen die zweckmäßigen Abstände in Millimeter angegeben;
Zwischen Buchstaben- und Ziffernblock ist – ausgenommen im Schriftfeld H – möglichst das Eineinhalbfache des größten im Vormerkzeichen auftretenden Schriftzeichenabstandes einzuhalten. Die Buchstaben und Ziffern sind unter Ausnutzung der Kennzeichenfelder so anzuordnen, dass sich gute Lesbarkeit und ein harmonisches, wenigstens annähernd symmetrisch liegendes Schriftbild ergeben; bei kurzen Schriftbild auf Tafeln nach Muster I , Ia sind die Schriftzeichen im Tafelmittelfeld anzuordnen.
A.2.1. Herstellerzeichen
Das Herstellerzeichen besteht aus einer vereinfachten Darstellung des Bundeswappens mit der Umschrift „Republik Österreich“ in Blockbuchstaben mit mindestens 1 mm Höhe und mit der dem Kennzeichentafelhersteller verliehenen Kontrollnummer unterhalb der Umschrift. Wappen und Kontrollnummer müssen von einer elliptischen Prägeleiste mit den Hauptdurchmessern 12 mm × 18 mm umgeben sein.
A.2.2. Wappenplaketten
Die Wappenplakette für GKT und MRT muss aus einer durchsichtigen, mit transluszentem Druck versehenen Folie bestehen. Sie muss thermisch auf die Grundfolie der Kennzeichen einzeilig und zweizeilig unlösbar aufgebracht werden. Die Wappenplakette für ÜKT, VZT, PKT und AAT muss aus einer retro-reflektierenden mit transluszierenden Siebdruck versehener selbstklebenden Kunststofffolie bestehen.
Die Wappen sind nach den Darstellungen in transluszierendem Druck herzustellen; wobei die Farben den nachstehenden einschlägigen Vorschriften über Ausführung und Führung des Bundeswappens(Anm. 1) und der Landeswappen entsprechen müssen:
Dabei tritt an die Stelle: | der Farbe | die Farbe |
| Silber | Weiß |
| Gold | Gelb |
Abmessungen und Aussehen der Wappen und der Schriftzeichen sind gemäß den beim Bundesminister für Klimaschutz, Umwelt, Energie, Mobilität, Innovation und Technologie aufliegenden Mustern zu gestalten.
(_______________________
Anm. 1: Z 8 der Novelle BGBl. II Nr. 350/2019 lautet: „In der Anlage 5e wird im Kapitel A.2.2. das Wort „Staatswappen“ ersetzt durch das Wort „Bundeswappen“.“. Richtig wäre: „In der Anlage 5e wird im Kapitel A.2.2. das Wort „Staatswappens“ ersetzt durch das Wort „Bundeswappens“.“.)
A.2.3. Ablaufvignette
Auf den Kennzeichentafeln für Überstellungskennzeichen ist der Aufdruck „gültig bis“ bzw. „valid until“ anzubringen und Raum für die aufzuklebende Etikette freizulassen; diese ist mit dem Ablaufdatum zu lochen. Die Etikette ist dann auf die Kennzeichentafel an der dafür vorgesehenen Stelle aufzukleben.
Material der Ablaufvignette: Selbstklebende, retroreflektierende, mit Wasserzeichen versehene Kunststofffolie.
A.3. Form und Größe der Schriftzeichen
Schriftzeichen für die Felder A, C, D, E, L, M, L1, M1, AI, BI, CI, DI, EI
Schriftzeichen für Felder F, G, H, K
Schriftzeichen für Felder L, M (nur bei mehr als vier Vormerkzeichen)
Die Stirnseite der hochgeprägten Schriftzeichen muss so mit geeigneter schwarzer biegefester thermischer Beschichtungsfolie versehen sein, dass die auf den geprägten Schriftzeichen vorhandenen schwarzen Flächen folgende Maße (in mm, Toleranz + 0,5 / – 1,0 mm) ergeben:
Schriftzeichen in den Kennzeichenfeldern | Strichbreite | Schrifthöhe | Schriftzeichenbreite |
Muster I, II, VII, Ia, IIIa, IV, V | |||
Schriftzeichen |
|
|
|
A | 10 | 72 | 47 |
B, D, E, Z | 10 | 70 | 38 |
I | 10 | 72 | 10 |
L | 10 | 71 | 33*) oder 28 |
F, J, P, R, T | 10 | 71 | 38 |
C, G, H, K, N, O, S, U, V, X, Y | 10 | 72 | 38 |
M | 10 | 72 | 43 *) oder 38 |
W | 10 | 72 | 51 *) oder 42 |
1 | 10 | 72 | 25 |
3, 4, 6, 8, 9, 0 | 10 | 72 | 38 |
2, 5, 7 | 10 | 71 | 38 |
Muster VII (nur bei mehr als vier Vormerkzeichen) | |||
Schriftzeichen |
|
|
|
A | 9 | 72 | 35 |
B, D, E, Z | 9 | 70 | 32 |
I | 9 | 72 | 9 |
L | 9 | 71 | 28 oder 23 *) |
F, J, P, R, T | 9 | 71 | 32 |
C, G, H, K, N, O, S, U, V, X, Y | 9 | 72 | 32 |
M | 9 | 72 | 36 oder 32 *) |
W | 9 | 72 | 44 oder 35 *) |
1 | 9 | 72 | 22 |
3, 4, 6, 8, 9, 0 | 9 | 72 | 32 |
2, 5, 7 | 9 | 71 | 32 |
Muster VIII | |||
Schriftzeichen |
|
|
|
A | 7,5 | 58 | 28 |
B, D, E, Z | 7,5 | 56 | 26 |
I | 7,5 | 58 | 7,5 |
L | 7,5 | 57 | 22 *) oder 18 |
F, J, P, R, T | 7,5 | 57 | 26 |
C, G, H, K, N, O, S, U, V, X, Y | 7,5 | 58 | 26 |
M | 7,5 | 58 | 29 *) oder 26 |
W | 7,5 | 58 | 36 *) oder 28 |
1 | 7,5 | 58 | 17 |
3, 4, 6, 8, 9, 0 | 7,5 | 58 | 26 |
2, 5, 7 | 7,5 | 57 | 26 |
- _____________
- *) Anwendung entsprechend der Gestaltung des Schriftfeldes
MFT:
Die weißen Flächen an den Stirnseiten der hochgeprägten Schriftzeichen müssen folgende Maße (in mm, Toleranz +/– 0,5 mm) ergeben: Randbreite: 5 mm
Schriftzeichen in den Kennzeichenfeldern | Strichbreite | Schrifthöhe | Schriftzeichenbreite |
Muster VI | |||
Schriftzeichen |
|
|
|
A–Z und 0–9 jedoch bei | 5 | 40 | 19 |
I | 5 | 40 | 5 |
W | 5 | 40 | 23 |
1 | 5 | 40 | 12 |
B. Materialien und Prüfeigenschaften
B.1. Beschaffenheit der Kennzeichentafeln
Die Ausführung der einzelnen Kennzeichentafelarten muss den beim Bundesminister für Klimaschutz, Umwelt, Energie, Mobilität, Innovation und Technologie aufliegenden Mustern entsprechen.
Die Ecken der Tafeln müssen mit einem Radius von 7 mm abgerundet sein.
Platinen:
Die Kennzeichentafeln müssen aus viertelhartem Blech aus A1 99,5 G 9 nach DIN 1783 mit einer Dicke von 1,0 mm bestehen.
Randstreifen:
Die weißen Kennzeichen müssen entlang ihren Längsrändern mit je zwei im Abstand von 2,8 mm voneinander liegenden parallelen roten Randstreifen mit einer Breite von je 2,8 mm versehen sein. Der außen liegende rote Randstreifen darf nicht weiter als 3,5 mm vom Rand der Tafel entfernt liegen. Die Farbe der Randstreifen und das EU-Emblem bei Muster I, III und VII muss entweder in die Grundfolie mit eingearbeitet oder fachgerecht thermisch aufgebracht und unter den in Pkt. B 2.4.3 angeführten Voraussetzungen gewährleistet sein.
B.2. Grundfolie für Kennzeichentafeln
B 2.1. Folie:
Die Folien müssen retroreflektierend und bei weißen Kennzeichentafeln mikroprismatisch sein und auf einer Seite eine haltbare, druckempfindliche und selbstklebende Beschichtung aufweisen.
Die katadioptrisch wirkenden Elemente der Folie müssen in einer transparenten Kunstharzschicht liegen. Ist die Folie mit Schutzzeichen ausgerüstet, so müssen diese vom Bundesminister für Klimaschutz, Umwelt, Energie, Mobilität, Innovation und Technologie anerkannt sein. Sie müssen in der rückstrahlenden Schicht der Folie eingebracht sein und dürfen nicht durch chemische oder physikalische Einflüsse trennbar sein, ohne diese zu zerstören. Sie müssen während der gesamten Lebensdauer der Kennzeichentafeln sichtbar sein. Die Abstände zwischen benachbarten Schutzzeichen dürfen in einer Richtung gemessen 110 mm, in der dazu senkrechten Richtung gemessen 80 mm nicht übersteigen.
Nach dem Aufbringen der Grundfolie auf eine für die Herstellung von Kennzeichentafeln geeignete Platine darf die Grundfolie von der Platine nicht mehr als Ganzes abnehmbar sein. Die Grundfolie muss auch nach der Verarbeitung der Platine eine glatte Oberfläche aufweisen und frei von Poren, Rissen, Schuppen oder Flecken sein. Die Grundfolie muss den im Punkt B 2.5 sowie Punkt B3 angegebenen Anforderungen entsprechen.
An den Längsseiten der Kennzeichentafeln kann zwischen dem Rand der Grundfolie und dem Tafelrand ein metallisch blanker Überstand von 0,5 mm +/– 0,25 mm vorhanden sein. Die Grundfolie muss auf der gesamten beschichteten Fläche blasen- und rissfrei aufliegen. Auf der Grundfolie muss eine Plakette mit dem zum Kennzeichen gehörenden Wappen (Wappenplakette) angebracht sein.
B 2.2. Prägefähigkeit:
Die Grundfolie muss nach dem Aufbringen auf sauberen, korrosionsfreien Platinen schlag- und biegefest sein. Die aufgebrachte Folie muss bis zu einer Höhe von 2,0 mm prägefähig sein.
B 2.3. Prägung:
Der Außenrand der Kennzeichentafeln muss mit einer umlaufenden Hochprägeleiste mit ebener Stirnfläche mit einer Breite von mindestens 10 mm versehen sein. Innerhalb dieser Leiste muss ein planes Schriftfeld für die Aufnahme des Kennzeichens in Hochprägung vorhanden sein.
Die Höhe der Hochprägung über dem tiefsten Punkt des Schriftfeldes muss beim Rand mindestens 1,2 mm betragen und darf 1,5 mm nicht übersteigen, bei Schriftzeichen mindestens 1,4 mm und höchstens 2,0 mm. Im Schriftfeld muss außerhalb der Schriftzeichenprägungen die deutliche, mindestens 0,2 mm hohe Hochprägung des Herstellerzeichens angebracht sein.
B 2.4. Technische Prüfungsbedingungen:
B 2.4.1. Prüfstücke:
Für die Prüfung sind je zehn Kennzeichentafeln (Prüfmuster) der geprüften Ausführungen sowie zwei ungeprägte Platinen für Messungen zu verwenden. Von jeder Prüfung und vor Messungen müssen die Muster 24 Stunden bei + 23 °C +/– 5 °C und 50% +/– 10% Luftfeuchtigkeit konditioniert werden. (DIN 50014)
B 2.4.2. Durchführung der Prüfung:
Der Bundesminister für Klimaschutz, Umwelt, Energie, Mobilität, Innovation und Technologie kann jederzeit Stichproben der Serienherstellung entnehmen und auf Kosten des Herstellers die Prüfung auf Einhaltung der Lieferbedingungen veranlassen. Die entnommenen Kennzeichentafeln sind dem Bundesminister für Klimaschutz, Umwelt, Energie, Mobilität, Innovation und Technologie zu überlassen. Jedenfalls ist nach jeder Neuerteilung einer Ermächtigung zur Herstellung von Kennzeichentafeln eine Prüfung von Kennzeichenmustern aller Arten und Typen im genannten Sinne vor Erstauslieferung an die beliehenen Versicherer oder Behörden durchzuführen. Ohne vollständig ordnungsgemäßes Prüfergebnis darf keine Auslieferung erfolgen.
B 2.4.3. Prüfungsverfahren für Kennzeichentafeln:
B 2.4.3.1. Temperaturbeständigkeit:
Ein Prüfmuster muss den folgenden Bedingungen in der genannten Reihenfolge ausgesetzt werden:
- a) sieben aufeinander folgende Stunden einer Temperatur von 65° +/– 2 °C bei einer relativen Luftfeuchtigkeit von 10% +/– 5%;
- b) eine Stunde einer Temperatur von 23 °C +/– 5 °C und 50% +/– 10% relative Luftfeuchtigkeit (Normalbedingungen nach DIN 50014);
- c) 15 aufeinander folgende Stunden einer Temperatur von – 20 °C +/– 2 °C.
Am Ende dieser Prüfung darf das Prüfmuster keine Risse, Blasen, nennenswerte Verfärbungen, Ablösungen oder Veränderungen zeigen.
B 2.4.3.2. Haftung der Folien (DIN 53151):
Ein Prüfmuster ist eine Stunde einer Temperatur von –20 °C +/– 2 °C auszusetzen.
Anschließend ist nach einer Stunde bei 23 °C +/– 5 °C die Haftfestigkeit der Grundfolie auf dem Untergrund, die Haftfestigkeit der Heißprägefolie auf der Grundfolie, der Wappenplakette und zutreffendenfalls des thermisch aufgebrachten EU-Emblems auf der Grundfolie durch Gitterschnitt bei 3 mm Schneideabstand zu prüfen.
Es muss ein Gitterschnitt von höchstens Gt2A erreicht werden.
B 2.4.3.3. Schlagfestigkeit (DIN 5115):
Ein Prüfmuster ist mit der reflektierenden Seite nach oben auf eine 12,5 mm dicke Stahlplatte zu legen.
Eine Stahlkugel von 25 mm Durchmesser wird aus einer Höhe von 2 m im freien Fall auf eine ungeprägte Stelle des Musters fallen gelassen. Der Aufschlagpunkt muss mindestens 8 mm von Rand- und Prägekanten entfernt sein. Es dürfen außerhalb eines Umkreises von 5 mm keine Risse oder Ablösungen vom Untergrund auftreten.
B 2.4.3.4. Biegefestigkeit:
Die ungeprägte Stelle eines Prüfmusters muss unter Normalbedingungen mit dem retroreflektierenden Material nach außen in einem Winkel von 90° über einem Metalldorn mit 50 mm Durchmesser gebogen werden. Es dürfen keine Risse auftreten.
B 2.4.3.5. Wasserfestigkeit:
Ein Prüfmuster ist 24 Stunden in destilliertes oder entionisiertes Wasser bei 23 °C +/– 5 °C einzutauchen und danach 48 Stunden bei normaler Raumtemperatur zu trocknen. Nach Beendigung dieser Prüfung darf das Prüfmuster keine Anzeichen von Beeinträchtigung zeigen, die seine Funktionstüchtigkeit mindern.
B 2.4.3.6. Reinigungsfähigkeit:
Auf ein Prüfmuster ist eine Mischung aus 98 Gewichtsteilen Schmieröl und zwei Teilen Graphit aufzutragen. Danach muss die Reinigung der retroreflektierenden Oberfläche durch Abwischen mit alphatischen Lösungsmitteln (zB N-Heptan) und anschließend mit einem neutralen Waschmittel ohne Beschädigung möglich sein.
B 2.4.3.7. Widerstandsfähigkeit gegen Benzin:
Ein Buchstaben und Ziffern enthaltener Teil eines Prüfmusters ist für eine Minute in Testbenzin, bestehend aus 70 Vol. % N-Heptan und 30 Vol. % Toluol, einzutauchen.
Nach Entfernen aus dem Benzinbad und Ablüften wird die Oberfläche geprüft.
Das Prüfmuster darf keine Veränderung zeigen, die seine Wirkung mindern.
B 2.4.3.8. Salzsprühtest (DIN 50021)
Das Prüfmuster muss zweimal 22 Stunden im Salzsprühtest geprüft werden, mit einer Unterbrechung von zwei Stunden bei Normalbedingungen. Der Salznebel ist mit einem Testgerät durch Versprühen einer Salzlösung von fünf Gewichtsteilen Natriumchlorid in 95 Teilen destilliertem Wasser bei 35 °C +/– 2 °C gleichmäßig auf das Prüfstück aufzubringen. Nach Durchführung der Prüfung ist das Muster mit Wasser zu waschen, mit einem Tuch zu trocknen und anschließend zu beurteilen.
Bei Betrachtung aus einer Entfernung von 2 m dürfen folgende Mängel nicht auftreten: Blasenbildung, Korrosionserscheinungen, Veränderung der Farbe oder des Glanzes sowie erkennbare Ablösungen, die die Wirkungen der Kennzeichentafel beeinträchtigen.
B 2.4.3.9. Verstärkte Industrieatmosphäre (DIN 50018)
Ein Prüfmuster ist der Schwefeldioxyd-Prüfung mit zwei Liter SO2 je 300 Liter
Prüfvolumen je Zyklus zu unterziehen.
Prüfdauer: zwei Zyklen zu je 24 Stunden.
Es dürfen keine sichtbaren Veränderungen auftreten, die die Funktionstüchtigkeit des Prüfmusters mindern.
B 2.4.3.10. Künstliche Alterung
Ein Prüfmuster ist in einem Prüfgerät gefiltert Xenon-Bestrahlung und Beregnung auszusetzen.
Prüfdauer: | 480 Stunden Hell/Dunkel-Wechselbetrieb |
Prüfzyklus: | 25 Minuten regenfreies Intervall |
| fünf Minuten Beregnung |
Temperatur: | 30–40 °C. |
Relative Luftfeuchtigkeit im Prüfraum: 50%
Danach müssen die spezifischen Rückstrahlwerte innerhalb der in Tabelle 1 angegebenen Grenzen liegen. Der Leuchtdichtefaktor darf 80% des Wertes aus Tabelle 2 nicht unterschreiten.
B 2.5. Optische Wirkung
B 2.5.1. Rückstrahlwirkung der Folie
Die spezifischen Rückstrahlwerte von beschichteten ungeprägten Platinen müssen bei Messungen mit CIE-Normlichtart A, einem Beobachtungswinkel von 1/3° und bei in der gleichen Ebene befindlichen Anleucht- und Beobachtungswinkeln (CIE-Bericht Nr. 54 „Retroreflexion – Definition und Messung“ 1982) im Anlieferungszustand folgenden Werten entsprechen:
TABELLE 1
Farbe | Anleuchtwinkel | Minimaler Retroreflexionskoeffizient [cd/(1x/m2)] |
Weiß | 5 | 80 |
| 30 | 50 |
| 40 | 6 |
Rot | 5 | 10 |
| 30 | 5 |
| 40 | 2 |
Blau | 5 | 14 |
| 30 | 9 |
| 40 | 5 |
Grün | 5 | 14 |
| 30 | 9 |
| 40 | 5 |
Nach Bewitterung in Anlehnung an ISO 7591/1982, Abs. 16 dürfen die in Tabelle 1 angegebenen Mindestrückstrahlwerte um nicht mehr als 50% unterschritten werden.
Innerhalb von fünf Jahren dürfen die spezifischen Rückstrahlwerte der Grundfolie die in Tabelle 1 angegebenen Mindestwerte um nicht mehr als 50% unterschritten werden.
B 2.5.2. Colorimetrische Eigenschaften
Bei Messungen nach den Richtlinien der CIE-Publikation Nr. 15 (1971) und bei Beleuchtung der Folienoberfläche mit CIE-Normlichtart D 65 bei einem Anleuchtwinkel von 45° zur Normalen (45/0° – Geometrie, 2° Beobachter) muss die Farbe der zwischen den roten Randstreifen liegenden Flächen der Grundfolie in dem in Tabelle 2 angeführten Farbbereich liegen und darf die Folie in diesem Bereich den in der Tabelle 2 angegebenen Mindestleuchtdichtefaktor nicht unterschreiten.
TABELLE 2
Farbe |
| 1 | 2 | 3 | 4 | Mindestleucht-dichtefaktor ß |
Weiß | x | 0,355 | 0,305 | 0,285 | 0,335 |
|
|
|
|
|
|
| 0,55 |
| y | 0,355 | 0,305 | 0,325 | 0,375 |
|
Rot | x | 0,690 | 0,595 | 0,569 | 0,655 |
|
|
|
|
|
|
| 0,05 |
| y | 0,310 | 0,315 | 0,341 | 0,345 |
|
Blau | x | 0,105 | 0,232 | 0,240 | 0,180 |
|
|
|
|
|
|
| 0,1 |
| y | 0,240 | 0,250 | 0,200 | 0,140 |
|
Grün | x | 0,115 | 0,200 | 0,297 | 0,242 |
|
|
|
|
|
|
| 0,15 |
| y | 0,300 | 0,490 | 0,360 | 0,265 |
|
Das Rot der Randstreifen der Grundfolie muss bei dieser Beleuchtung dem RAL-Farbton 3019 *) entsprechen (Sichtprüfung)
__________
*) Reflexfarben RAL-F74 zum Farbregister RAL 840 HR, herausgegeben vom Deutschen Institut für Gütesicherung und Kennzeichnung, Bornheimerstraße 180, 5300 Bonn.
B.3. Qualität und Garantie
Anforderungen an die Hersteller
1. Die Hersteller sind verpflichtet, die Kennzeichentafeln mit den Materialien und den technischen Einrichtungen herzustellen, die den Bedingungen des Herstellungsverfahren entsprechen. Beabsichtigte Änderungen im Herstellungsverfahren oder bei den Materialien bedürfen der vorherigen Genehmigung durch den Bundesminister für Klimaschutz, Umwelt, Energie, Mobilität, Innovation und Technologie.
2. Der Hersteller übernimmt die Gewährleistung dafür, dass die Kennzeichen laut Vorschriften dieser Verordnung ordnungsgemäß hergestellt werden und dass bei sachgemäßer Verwendung unter normalen Klimabedingungen die technischen Werte fünf Jahre im geforderten Ausmaß erhalten bleiben.
Er verpflichtet sich, die Republik Österreich diesbezüglich schad- und klaglos zu halten.
Die Erfüllung der Gewährleistung ist entsprechend (zB Gemeinschaftshaftung, Bankgarantie, Nachweis der entsprechenden wirtschaftlichen Leistungsfähigkeit ) sicherzustellen und nachzuweisen.
Als nicht sachgemäße Verwendung gelten insbesondere mechanische Beschädigungen, Reinigung mit anderen als Autopflegemitteln ohne Scheuerwirkung, die häufige Verwendung von Dampf- und Hochdruckreinigungseinrichtungen, die Reinigung mit trockenen Putzlappen, die überwiegende Verwendung des Fahrzeuges abseits von Straße mit fester Fahrbahn (zB Baustellen- und insbesondere Straßenbaufahrzeuge), die Verwendung von anderen Teerentfernern als solchen auf Leicht- oder Reinbenzinbasis. Hierauf ist in der vom Kennzeichentafelhersteller jeder ausgelieferten Kennzeichentafel/jedem Kennzeichentafelsatz (bestehend aus mehreren Tafeln mit gleichem Kennzeichen) beizugebenden Gebrauchsanleitung hinzuweisen.
C. Entgelte für Typen von Kennzeichentafeln
- 1. Gewöhnliche Kennzeichentafeln (GKT) nach § 49 Abs. 4 Z 1 oder Z 5 KFG 1967
- – Garnitur zweiteilig, vordere Tafel nach Muster I und hintere Tafel nach Muster I oder III 23,00 €
- – Einzeltafel nach Muster I oder III 11,50 €
- 2. Kennzeichentafeln für Probekennzeichen (PKT)
- – Garnitur zweiteilig, vordere Tafel nach Muster Ia, hintere Tafel nach Muster Ia oder IIIa 23,00 €
- – Einzeltafel nach Muster Ia oder IIIa 11,50 €
- 3. Kennzeichentafeln für Überstellungskennzeichen (ÜKT)
- – Garnitur zweiteilig, vordere Tafel nach Muster IV, hintere Tafel nach Muster IV oder V 23,00 €
- – Einzeltafel nach Muster IV oder V 11,50 €
- 4. Kennzeichentafeln für vorübergehend zugelassene Fahrzeuge (VZT)
- – Garnitur zweiteilig, vordere Tafel nach Muster IV, hintere Tafel nach Muster IV oder V 23,00 €
- – Einzeltafel nach Muster IV oder V 11,50 €
- 5. Kennzeichentafeln gemäß § 49 Abs. 3 KFG (AAT)
- – Einzeltafel nach Muster I oder III 11,90 €
- 6. Kennzeichentafel für Motorräder (MRT)
- – nach Muster VIII oder Kennzeichentafel mit Probefahrtkennzeichen für Motorräder im Format wie Muster VIII 13,00 €
- 7. Kennzeichentafel für Motorfahrräder (MFT)
- – nach Muster VI oder Kennzeichentafel mit Probefahrtkennzeichen für Motorfahrräder oder für vorübergehend zugelassene Motorfahrräder im Format wie Muster VI 8,50 €
- 8. Kennzeichentafeln für historische Kraftwagen und historische Anhänger gemäß § 25d Abs. 5
- – Garnitur zweiteilig, vordere Tafel nach Muster IX und hintere Tafel nach Muster IX oder VII 26,00 €
- – Einzeltafel nach Muster IX oder VII 13,00 €
Schlagworte
Kennzeichenfeld
Zuletzt aktualisiert am
20.12.2024
Gesetzesnummer
10011385
Dokumentnummer
NOR40261185
Lizenziert vom RIS (ris.bka.gv.at - CC BY 4.0 DEED)
