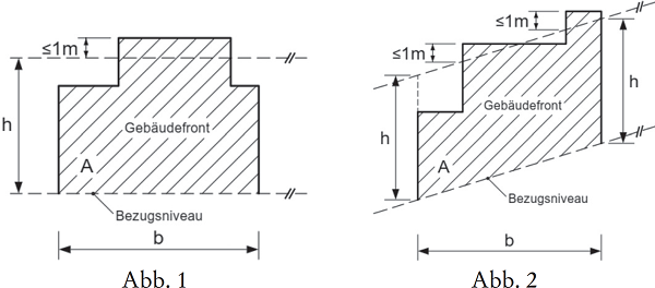
(1) Die gemäß § 53 ermittelten Gebäudehöhen müssen der Bebauungshöhe h (Bauklasse oder der höchstzulässige Gebäudehöhe) entsprechen. In Teilbereichen sind Überschreitungen der Bebauungshöhe von bis zu 1 m zulässig.
A | .... | Fläche der Gebäudefront |
b | .... | größte Breite der Gebäudefront |
h | .... | Bebauungshöhe h (Bauklasse oder der höchstzulässige Gebäudehöhe) |
